Colmonoy® 88P

$1.00

Nickel-Based Hard Surfacing Alloy with the Element Tungstem for Greater Wear-Resistance, Versatility, and Value

SKU: 101 Category:

Description

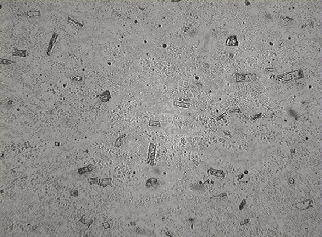
Contains fine, multiple hard phases which are uniformly distributed throughout a Ni-Cr-B-W matrix.

Additional information

Location

WCL

Alloy Type

Nickel

Hardness

59-64

Application Methods

Hardfacing Rod, Hardfacing Wire, Laser Cladding, PTA