Colmonoy® 88F

$1.00

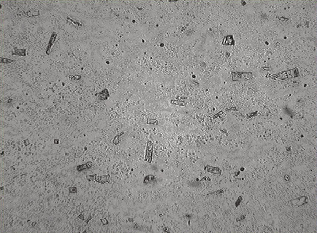
Nickel-Based Hard Surfacing Alloy with the Element Tungstem for Greater Wear-Resistance, Versatility, and Value

SKU: 96 Category:

Description

Contains fine, multiple hard phases which are uniformly distributed throughout a Ni-Cr-B-W matrix.

Additional information

Location

WCL

Alloy Type

Nickel

Hardness

59-64

Application Methods

Fusewelder™ Torch, Hardfacing Rod, Hardfacing Wire, Thermal Spray / Spraywelder™